
产品概况
SD-M305读写器是一款一体式的工业级高频RFID读写设备。其工作频率为13.56MHz,符合ISO-14443A标准,支持RS-485(Modbus RTU),USB通信方式。采用坚固的工程塑料外壳,防护级别达到IP67。读写器具有识别速度快、准确率高、安装方便等特点。
应用领域
权限管理、桌面发卡。
产品特点
功能
工作频率为13.56MHz,符合ISO-14443A标准;
支持RS-485(Modbus RTU)USB 通信方式,方便企业大规模批量组网应用;
一体式设计,结构紧凑,安装方便;
IP67防护适合各种安装环境。
性能
13.56MHz工作频率,读写速度快,工作稳定;
Modbus数据协议,数据采集稳定、可靠;
工业标准EMC设计,有效抵抗工业现场各种干扰;
达到IP67防护标准,长久稳定运行。
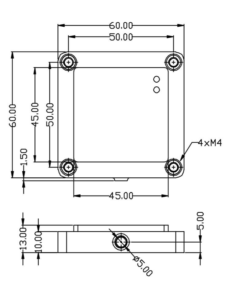
产品尺寸图

安装示意图
安装说明
达到IP67的防护等级,可直接免机箱安装
典型应用
权限管理
该产品特别适合于安装在贵重机床上,连接触摸屏或者电脑。通过授权软件赋予员工对设备的操作权限。员工刷员工卡时,会自动解锁,允许操作设备,达到员工权限管理的功能。或者通过USB连接电脑,进行发卡操作。
技术参数
规格参数 | 型号 | SD-M305 |
无线协议 | ISO-14443A | |
工作频率 | 13.56MHz | |
支持区域 | SRRC中国、FCC北美 、ETSI欧洲 | |
输出功率 | 23dBm | |
无线速率 | 26.5kbit/S | |
读取距离 | 0~3cm(与标签有关) | |
通讯接口 | RS-485或USB二选一 | |
串口通讯速率 | 115.2kbit/s | |
电源电压 | DC 24V+/-10%(RS-485、RS232) | |
平均电流 | <0.1A@24VDC(RS-485、RS232) | |
指示灯 | 2个LED指示灯 | |
物理参数 | 外形尺寸 | 60×60×13mm(不包括线缆部分) |
整机重量 | 80g | |
固定类型 | 螺丝固定 | |
外壳材料 | 工业塑料 | |
壳体颜色 | 黑色磨砂 | |
应用环境 | 工作温度 | -40℃~+70℃ |
存储温度 | -40℃~+85℃ | |
工作湿度 | 5%~95%RH(无凝露) | |
防水防尘等级 | IP67 | |
附件 | 接插件电缆、直流电源等 |