
产品概况
SD-Y503读写器是一款圆柱形一体式的超高频RFID读写设备。其工作频率为920MHz~925MHz,符合EPC Global Class l Gen 2/IS0-18000-6C标准,最大输出功率20dBm。支持RS-485(Modbus RTU)、POE(Modbus TCP)通信方式。采用坚固的金属外壳,防护级别达到IP67。读写器具有识别速度快、准确率高、安装方便等特点。
应用领域
汽车配件、厨电、机械磨具、工装板、新能源制造线等
产品特点
功能
工作频率为920MHz~925MHz,符合EPC Global Class l Gen 2/IS0-18000-6C标准;
支持RS-485(Modbus RTU)POE(Modbus TCP)通信方式,方便企业大规模批量组网应用;
一体式设计,结构紧凑,安装方便;
IP67防护适合各种安装环境。
性能
UHF 920MHz~925MHz工作频率,读写速度快,距离远、工作稳定;
Modbus数据协议,数据采集稳定、可靠;
工业标准EMC设计,有效抵抗工业现场各种干扰;
采用标准航空接头,达到IP67防护标准,长久稳定运行。
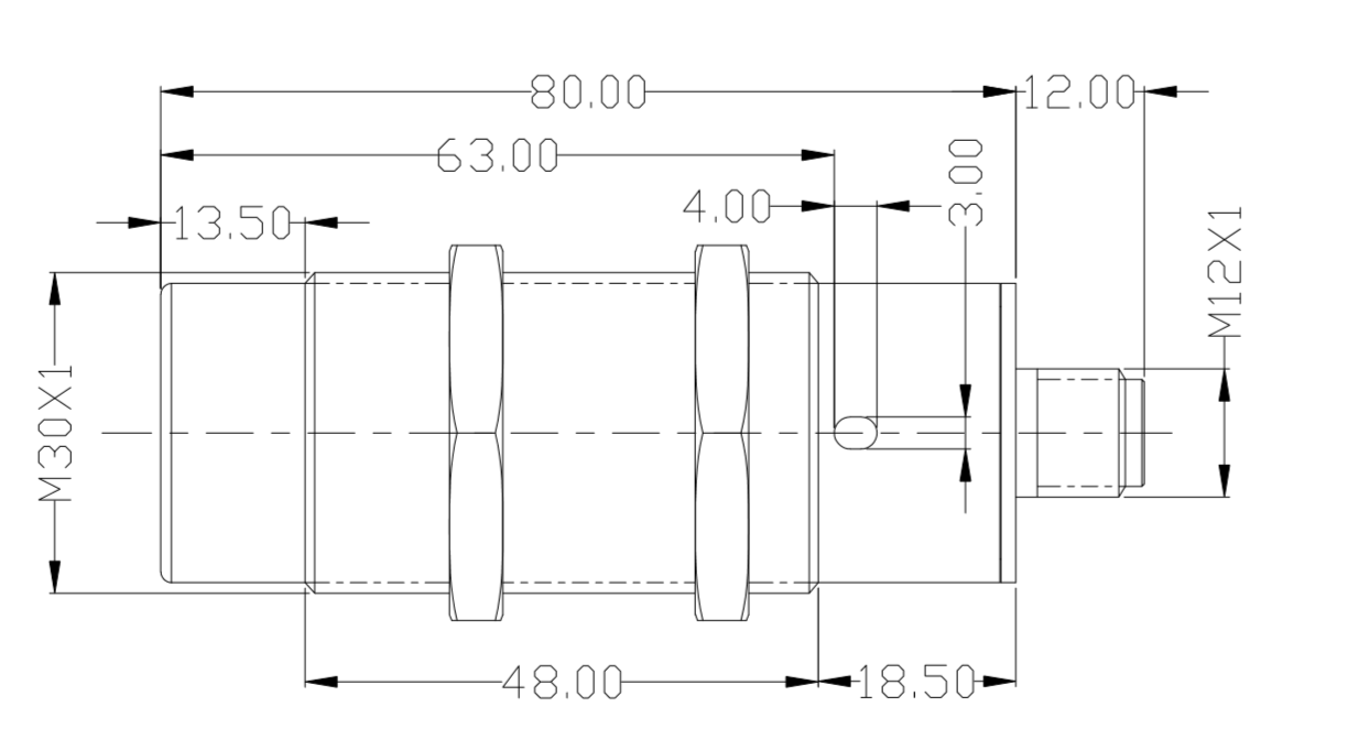
产品尺寸图

安装示意图
安装说明
达到IP67的防护等级,可直接免机箱安装
典型应用
分布式产线
SD-Y503圆柱形一体式读写器可以安装在生产线上,直接与多种型号的PLC连接,或者通过转接接口与企业控制电脑连接。将安装在产品或者托盘上的标签数据实时采集,并传递到企业的控制系统。控制系统根据采集的数据完成生产物料防错、生产文件实时推送、不良品及时分流下线、检测报告自动生成、产品追溯信息保存、产品换线预警、设备自动化控制等等。达到自动化高效生产、多品种小批量混流生产的目的。可有效减少人力成本、提升设备使用率、提升产品质量。
技术参数
规格参数 | 型号 | SD-Y503 |
无线协议 | EPC Global Class l Gen 2/IS0-18000-6C | |
工作频率 | 920~925MHz | |
支持区域 | SRRC中国、FCC北美 | |
输出功率 | 0~20dBm | |
步进功率 | 1dBm | |
读取距离 | 0~30cm(与标签有关) | |
通讯接口 | RS-485、TCP (选配POE) | |
串口通讯速率 | 115.2kbit/s | |
以太网通讯速率 | 10/100M自适应 | |
电源电压 | DC 24V+/-10%(RS-485)、DC 48V+/-10%(POE) | |
平均电流 | <0.1A@24VDC(RS-485)、<0.05A@48VDC(POE) | |
指示灯 | 1个双色LED指示灯 | |
物理参数 | 外形尺寸 | Φ30×80mm(不包括螺纹接头) |
整机重量 | 110g | |
固定类型 | 螺母固定 | |
外壳材料 | 黄铜镀镍+工业塑料 | |
壳体颜色 | 银绿磨砂 | |
应用环境 | 工作温度 | -40℃~+70℃ |
存储温度 | -40℃~+85℃ | |
工作湿度 | 5%~95%RH(无凝露) | |
防水防尘等级 | IP67 | |
跌落实验 | GB/T2423.8-1995 | |
抗振动 | GB/T2423.10-2008 | |
认证 | CE、FCC、SRRC | |
附件 | 接插件电缆、直流电源等 |